Vai al contenuto

alkatros

Gratuito
  • Numero contenuti

    23
  • Iscritto

  • Ultima visita

Tutti i contenuti di alkatros

  1. Scattante più di prima ma non essendo rimappata e 69cv... ovviamente non bruciante ma comunque va bene adesso e non da nessun errore.
  2. Bene ragazzi, stamattina mi sono deciso a smontare nuovamente il sensore map e questa volta armandomi di cotonfiocchi, alcol isopropilico e compressore ho ripulito a fondo il sensore all'interno del foro minuziosamente, infatti dal forellino è uscita un bel pò di fuliggine, infine dopo svariati lavaggi con l'alcol, ho asciugato per bene il map, e sorpresa, dopo averlo rimontato, sono andato in diagnostica con elm327 e finalmente è sparito l'errore p1657. Adesso tenendo conto che ho anche chiuso la valvola egr mettendo dei distanziatori tra il solenoide e il corpo della egr affinchè il pistoncino possa modulare senza però agire sulla molla della valvola, non mi rimane altro da fare che smontare al più presto il collettore di aspirazione e pulirlo per bene. La macchina comunque è già molto più fluida e scattante e anche più silenziosa... Bene, spero che queste mie informazioni possano essere di riferimento per chi ne avesse bisogno...
  3. Ok più tardi attacco il torque e vado in lettura...
  4. certo, intanto proverò a misurarlo con il tester seguendo le indicazioni di questo video: Ma potrebbe essere il collettore deformato che sfiata o le guarnizioni di tenuta ko? Ho questo sospetto, del resto questo benedetto collettore è in plastica.
  5. Grazie, tu parli del sensore map pressione assoluta? Ti allego la foto... collettore.bmp
  6. alkatros

    Errore P1657 Suzuki Ignis Ddis

    Ragazzi vi chiedo cortesemente cosa devo fare per eliminare questo errore. Ho già pulito il sensore di pressione assoluta ma l'errore permane. Cercando in rete mi da una info che non comprendo e non so nemmeno se è riferibile alla mia vettura: p1657 1-4 Upshift circuito di controllo a solenoide Qualcuno mi aiuti grazie.
  7. alkatros

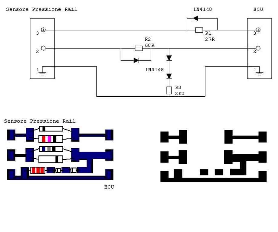
    Guida Tecnica

    GRAZIE DI CUORE
  8. Salve ragazzi, vi chiedo cortesemente se e' possibile effettuare la calibrazione di un nuovo sensore coppia dello sterzo con funzione city per esempio su panda 1.3mjt, attraverso il TEXA o se invece bisognerebbe acquistare un prodotto differente per potere effettuare questo tipo di taratura. Vi ringrazio anticipatamente. Antonio.
  9. Buongiorno a tutti, sapreste indicarmi la piedinatura dei 3 segnali disposti nel connettore egr della Ople Astra 1.3 mtj?
      • 1
      • Like
  10. boh io lo stavo chiedendo, su google non riesco a trovare niente in merito...
  11. Alfa... grazie.... prima magari provo a leggerla... ma devo usare per forza il kess v2 o andrebbe bene anche qualche altro buon clone?
  12. Grazie ma che tipo di ecu monta?
  13. Ciao a tutti volevo chiedervi che centralina monta la spark 1.0 e se il gallo va bene per r/w... ammesso che si possa mappare.
  14. si circa...
  15. Si certo ma se non si esagera con la resistenza tenendola al di sotto dei 27 ohm non si ha fumo. provato attualmente sulla mia opel astra 1.3 mtj. va bene ha abbastanza ripresa e elasticita a bassi regimi e consuma meno. certo la mappa sarebbe la soluzione perfetta...
  16. Infatti la retroazione dei diodi serve a ottimizzare il minimo evitando borbottio...
  17. Se si mette una resistenza non esasperata max 30 ohm, si migliorano le prestazioni ai bassi regimi e non si scassa la pompa assolutamente... provato da me personalmente. Il problema è che alcuni pretendono di ottenere molti cavalli e alzano il valore della resistenza mediante trimmer al limite del recovery e li sono dolori per il sistema e specie per la pompa di alta pressione che la turbina la quale quest'ultima si ritrova a digerire gas incombusti e povere alette roventi e deformate.... Il vero valore deve essere max 30 ohm. Ho postato questo schemino... provatelo e non farete danni ottenendo gradevoli risultati. Ho anche realizzato un circuito stampato a misura con il tipico contenitore in plastica che trovate in qualsiasi negozio di componenti elettronici. Ciao.
  18. Ragazzi vi offro questo piccolo pensierino. Antonio. schema elettrico modulo aggiuntivo rail
  19. si certo ci siamo sentiti ieri sera appena mi ero registrato. Sto leggendo tutti i vostri post, grazie.
  20. alkatros

    Felice Di Conoscervi Tutti

    Gentilissimi membri del forum, mi fa tantissimo piacere far parte di voi e anche se sono un neofita in quanto a mapping, ho buone conoscenze elettroniche e informatiche e mi offro tranquillamente in tal senso a tutti coloro che necessitano aiuto in elettronica e sviluppo web. La passione per il tuning car mi è nata da poco ma sento già un grande interesse e tanta voglia di imparare e spero tantissimo che leggendo i vari post di questo eccellente forum, investendo qualcosina in termini di attrezzature necessarie e facendo affidamento alla vostra gentile disponibilità, mi possa mettere in condizioni di potere operare in questo megagalattico settore dell'auto. Sono disposto a studiare anche perchè mi piace tantissimo apprendere nuove informazioni ma mi piace anche trasferire a gli altri tutte le mie conoscenze senza alcun limite e con grande senso di rispetto e altruismo verso il prossimo... Proprio come siete tutti voi. Un caloroso saluto e a risentirci quì, tutte le volte che posso. Antonio.
  21. Ciao a tutti ragazzi, sono un nuovo iscritto su questo forum, ma come lettore lo seguivo con interesse già da parecchio tempo. Oggi mi è arrivato un galletto 1260 credo clone, ho provato a connetterlo nella mia vettura dopo corretta installazione dei drivers con win7 e durante la lettura DATI ECU, non succedeva nulla. Ho notato che il mio modello di vettura opel astra h 1.3 cdti, non è presente nella lista e quindi ho scelto il driver della opel corsa 1.3 cdti, credendo che fosse equivalente. Adesso mi chiedo se ci sia una soluzione in merito e se qualcuno ha mai usato il gallo per l'astra mutijet 1.3. Un caro saluto, Antonio.
  22. Ciao a tutti ragazzi, sono un nuovo iscritto su questo forum, ma come lettore lo seguivo con interesse già da parecchio tempo
×
×
  • Crea Nuovo...