corrado Inviato 10 Agosto 2019 Inviato 10 Agosto 2019 salve a tutti ho in officina una audi a 4 che delle volte non legge il codice monta una centralina bosch 081001366/367 028906021f vorrei riuscire a cappire come potrei leggere la eprom per s codificarla ho sia kees che ktag grazie in anticipo
Gianniglf Inviato 10 Agosto 2019 Inviato 10 Agosto 2019 Dovresti aprire la centralina. Trovi una memoria 93c46. Si dovrebbe dissaldare e leggere con un programmatore di memorie al banco
corrado Inviato 11 Agosto 2019 Autore Inviato 11 Agosto 2019 Ok grazie per la risposta sapresti dirmi in che zona si trova della centralina?
Tky Inviato 11 Agosto 2019 Inviato 11 Agosto 2019 Prima della scodifica io opterei per una diagnosi globale per capire il perché non legge la chiave... 1
Gianniglf Inviato 12 Agosto 2019 Inviato 12 Agosto 2019 Il 11/8/2019 at 09:19 , corrado ha scritto: Ok grazie per la risposta sapresti dirmi in che zona si trova della centralina? prova a guardare sotto i tergicristalli! Non ignorare il consiglio di tky
corrado Inviato 12 Agosto 2019 Autore Inviato 12 Agosto 2019 scusa intendevo dire la eprom da leggere il motore e 1z vorrei sapere anche se devo scollegare qualche filo sulla pompa grazie
corrado Inviato 13 Agosto 2019 Autore Inviato 13 Agosto 2019 salve ho dissaldato letto e scritto 93c46 non ho capito però perche su immo universal decode mi dice parziale e totale per essere totale cosa dovrei fare grazie
Gianniglf Inviato 13 Agosto 2019 Inviato 13 Agosto 2019 31 minuti fa, corrado ha scritto: salve ho dissaldato letto e scritto 93c46 non ho capito però perche su immo universal decode mi dice parziale e totale per essere totale cosa dovrei fare grazie In questi casi, se lasci collegata la linea immo la centralina va a ricodificarsi, mentre se escludi l’impianto immo Non si ricodifica ed avrai una scodifica totale. 1
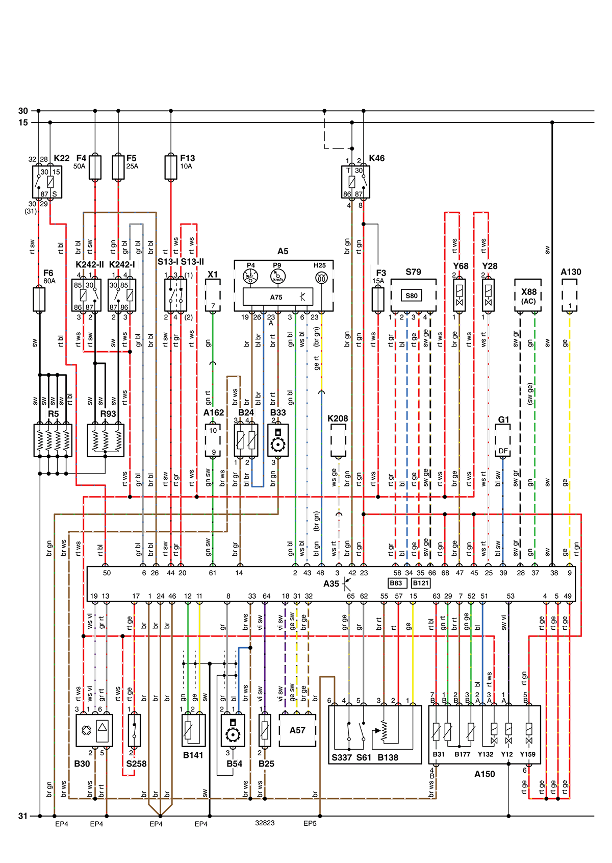
corrado Inviato 13 Agosto 2019 Autore Inviato 13 Agosto 2019 scusa guardando lo schema mi da una linea che va da bloccasterzo a centralina nel connettore 61 devo tagliare quello? grazie
corrado Inviato 13 Agosto 2019 Autore Inviato 13 Agosto 2019 il 162 si riferisce al blocchetto chiave e lo chiama modulo di comando immobilizzatore
corrado Inviato 14 Agosto 2019 Autore Inviato 14 Agosto 2019 ho provato a scrivere il file ma il mio programma mi dice riparato però non cambia niente posto il file ori qualcuno a un programma per controllarlo grazie code ori 16.BIN
corrado Inviato 16 Agosto 2019 Autore Inviato 16 Agosto 2019 scusa tky ma ho gia fatto varie diagnosi e mi da errore codice chiave il problema e che non lo fa sempre ma ogni tanto però quando lo fa lascia il cliente a piedi essendo una vettura abastanza datata e con intenzioni di sostituirla a fine anno si era optato alla scodifica però mi sa che non ne vengo a capo perche io scodifico la eprom dx la rimonto ma la vettura parte e si spegne dopo qualche secondo questo togliendo il trsponder se metto il trasponder la machina parte tranquillamente vorrei se possibile un consiglio se possibile grazie
Tky Inviato 16 Agosto 2019 Inviato 16 Agosto 2019 Ti dico la mia... Essendo errore sporadico avrà problemi o sul quadro o sulla chiave...la scodifica non ti aiuta secondo me...fai una diagnosi globale col vcds e trova il problema..
corrado Inviato 16 Agosto 2019 Autore Inviato 16 Agosto 2019 Scusa ma quadro strumenti o quadro di accensione grazie
corrado Inviato 17 Agosto 2019 Autore Inviato 17 Agosto 2019 errore letto in centralina 01176 codice chiave sulla bancadati dice chiave errata collegamento cablaggio bobbina di lettura dell' immobilizzatore quindi la chiave no perchè lo fa uguale con tutte e due il cablaggio le connessioni le ho pulite e controllate essendo una macchina vecchia e un amico ho deciso di farle il lavoro quando ero in ferie per non farlo spendere invece ho perso le ferie io e lasciato a piedi lui una settimana credendo di riuscire a eliminare il codice chiave ma evidentemente sbaglio qualche passaggio
corrado Inviato 17 Agosto 2019 Autore Inviato 17 Agosto 2019 Il 13/8/2019 at 14:19 , Gianniglf ha scritto: In questi casi, se lasci collegata la linea immo la centralina va a ricodificarsi, mentre se escludi l’impianto immo Non si ricodifica ed avrai una scodifica totale. Il 11/8/2019 at 11:05 , Tky ha scritto: Prima della scodifica io opterei per una diagnosi globale per capire il perché non legge la chiave... errore 01176
Gianniglf Inviato 17 Agosto 2019 Inviato 17 Agosto 2019 Per caso hai due memorie 93c46? Le hai lette a 8 bit o a 16 bit? Hai staccato l’immo box?
Tky Inviato 17 Agosto 2019 Inviato 17 Agosto 2019 Sul sito ross-tech riporta quanto segue: When found in Audi A3 (8L), Audi A4 (8D), Audi A6 (4B) or Audi A8 (4D), check Wiring from Immobilizer Control Module to Immobilizer Reader Coil. A known issue would be the Length of the Wiring, an optimized Replacement Part may be available (8D0-972-275). 1
corrado Inviato 19 Agosto 2019 Autore Inviato 19 Agosto 2019 Il 17/8/2019 at 13:01 , Tky ha scritto: Sul sito ross-tech riporta quanto segue: When found in Audi A3 (8L), Audi A4 (8D), Audi A6 (4B) or Audi A8 (4D), check Wiring from Immobilizer Control Module to Immobilizer Reader Coil. A known issue would be the Length of the Wiring, an optimized Replacement Part may be available (8D0-972-275). Il 17/8/2019 at 12:35 , Gianniglf ha scritto: Per caso hai due memorie 93c46? Le hai lette a 8 bit o a 16 bit? Hai staccato l’immo box? Si ho letto quella di destra a 16 bit e prima di staccare la batteria stacco immo box mette in moto dopo un secondo si spegne
Gianniglf Inviato 20 Agosto 2019 Inviato 20 Agosto 2019 16 bit dovrebbe essere giusto, ma quella di sinistra.... prova a leggere quella di destra e processala con il software. Fai due letture una a 8 bit è una a 16 bit per una questione di sicurezza in caso di ripristino 1
corrado Inviato 25 Agosto 2019 Autore Inviato 25 Agosto 2019 Il 11/8/2019 at 11:05 , Tky ha scritto: Prima della scodifica io opterei per una diagnosi globale per capire il perché non legge la chiave... ok provo lunedi perche mi riporta la machina ho se no stavo optando per un emulatore la prossima prova metto un zocoletto anche a quella di sinistra e provo a processarle tutte e due e ti faccio sapere ancora grazie per l'aiuto
corrado Inviato 25 Agosto 2019 Autore Inviato 25 Agosto 2019 Il 20/8/2019 at 12:25 , Gianniglf ha scritto: 16 bit dovrebbe essere giusto, ma quella di sinistra.... prova a leggere quella di destra e processala con il software. Fai due letture una a 8 bit è una a 16 bit per una questione di sicurezza in caso di ripristino provo lunedi poi faccio sapere grazie
Messaggi raccomandati
Crea un account o accedi per lasciare un commento
Devi essere un membro per lasciare un commento
Crea un account
Iscriviti per un nuovo account nella nostra community. È facile!
Registra un nuovo accountAccedi
Sei già registrato? Accedi qui.
Accedi Ora